Cam Followers-Standard/Crowned Type/With Seal/No Seal

:
MISUMI
- [Specification Change] The materials, appearances, and packaging specifications of some products will be changed sequentially starting in December 2025. Please see here for details and applicable part numbers. Products before and after the change may be mixed in the same shipment, but there are no problems with use.
- Please check the content on our website as the PDF does not contain the most up-to-date information.
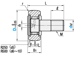
Have the slot groove machined on the stud head and are of the most economical type. For order of 51 or more pieces, the price is reduced by 20%.
■With Seal

■No Seal


[ ! ] Grease hole is provided on the head only.
[ ! ] Operating Temp.: 80°C or lower
| Application | Type | [ M ] Material | [ A ] Accessory | |
| With Seal | No Seal | |||
| General | CFUR | CFU | SUJ2*1 | Hex Nut 1 pc. (S45C Carbon Steel*2, Black Oxide) |
| CFURS | CFUS | SUS440C Equivalent | Hex Nut 1 pc. (SUS304) | |
| Low Dust Generation | CFURC | - | ||
Specifications / Overview
Points of comparison with similar products: Max. Basic Dynamic Load Rating 20.7kN